LambdaFox


In pursuit of science and education, this site was created to share knowledge.
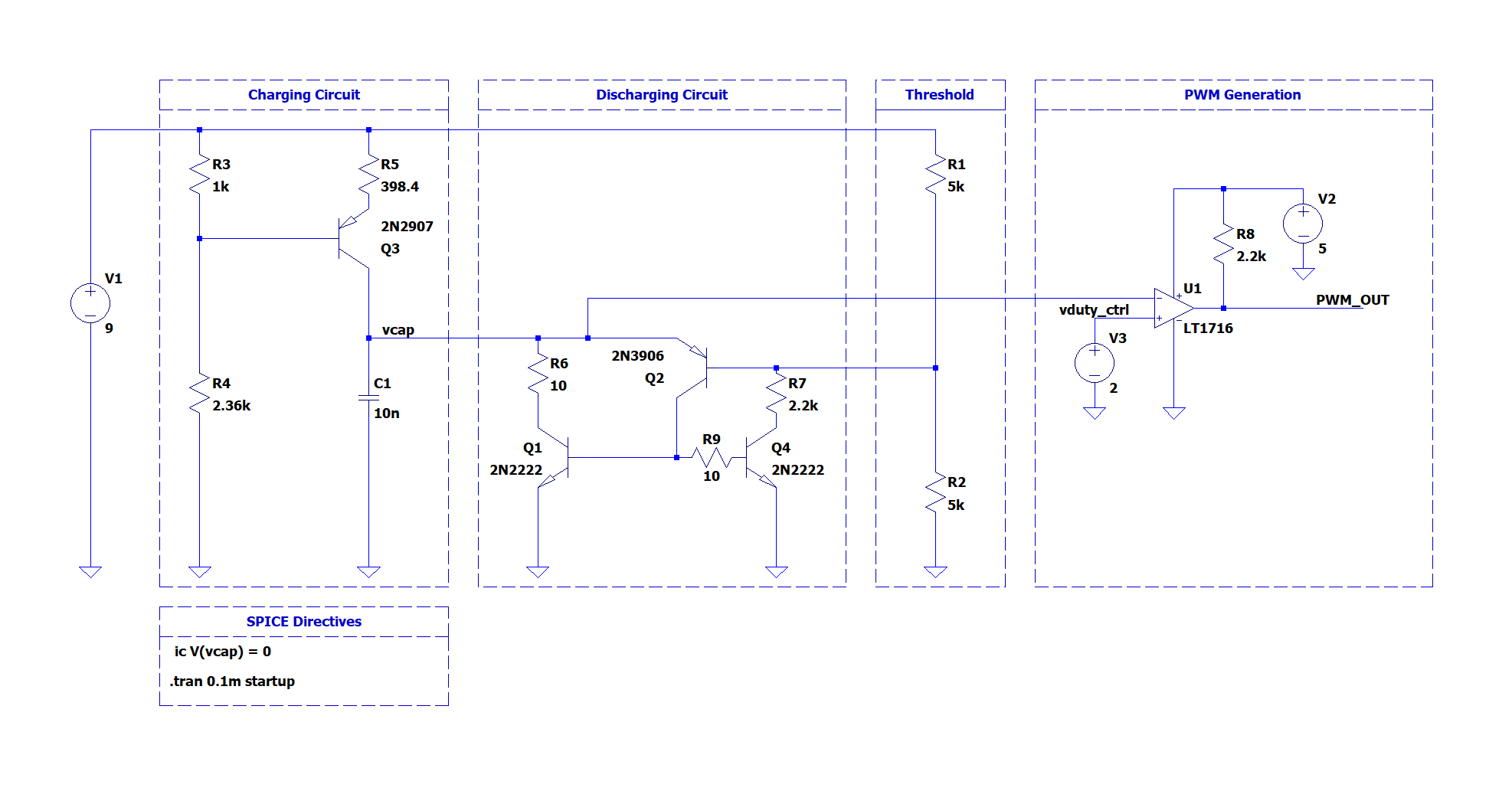
  • Analog Transistor Pulse Width Modulation Circuit

    Post thumbnail
    Post thumbnail
    Pulse Width Modulation (PWM) is a form of digital signal encoding where a unipolar, rectangular waveform's duty cycle is varied to control the average voltage delivered to a load. The signal is characterized by a fixed frequency and amplitude, with the effective average voltage determined by the ratio of the pulse width to the total time period. This ratio is often referred to as the "duty factor", or "duty cycle". In other words a 75% duty cycle (0.75) means the signal is on for 75% of the time period, and off for the remainder 25%. In this article the design... [Read More]
  • Pistachio Gravimetric Analysis

    Post thumbnail
    Post thumbnail
    Have you ever wondered whether buying pistachios with shells or without shells offers the better value? For example here, there are $1360g$ of pistachios with shells offered for $\$16$, or $680g$ without shells for $\$18$. This article presents an experiment in which a sample from a bag of pistachios with shells was processed nut by nut, with the mass of each kernel and shell measured separately to determine not only the mass distribution of the combined sample but the ratio of nut to shell as well. [Read More]
  • Analysis and Simulation of Current Sources

    Post thumbnail
    Post thumbnail
    Current sources are a fundamental source in electronics. They are used to generate a precise current that can be applied to a system. In this article the JFET and Howland current source architectures are analyzed and simulated. [Read More]
  • Designing an Optical Analog Linear Isolator

    Post thumbnail
    Post thumbnail
    Controllers frequently interface with analog signals for both reading and commanding parts of a system. Isolation of these signals may be desirable to protect the controller, the equipment, or decrease undesirable electrical effects (noise, ground loops, over voltage, etc). In this article the design of a linear optical analog signal isolator for a 4-20mA current loop (which is heavily used in the process industry) is discussed and simulated. [Read More]
  • Rise Time and the Bandwidth Equation

    Post thumbnail
    Post thumbnail
    The bandwidth of a square wave depends on the rise time of the signal. That is, as the rise time of the signal decreases, the bandwidth increases. A common factor is ${0.35}/{t_{rise}}$ which is a rule of thumb approximation for the bandwidth of a signal given the $10-90\%$ risetime. The derivation and calculation of this factor is the subject of this article. [Read More]
  • Voltage Divider Circuit

    Post thumbnail
    Post thumbnail
    A voltage divider is a circuit that scales ("divides") an input voltage. A voltage divider can be made of resistors, but can also be made from capacitors and inductors in AC circuits. Voltage dividers are lossy, passive circuits which cannot add gain to a circuit. This means that a voltage divider will never produce a voltage higher than its input. In this article the non-idealities of a voltage divider circuit are discussed along with the mathematical formulas to aid in calculations. Additionally, a python utility for ratio determination is shown to assist in expediting designs. [Read More]
  • Wheatstone Bridge Analysis

    Post thumbnail
    Post thumbnail
    The Wheatstone bridge is a configuration of components, typically but not always resistors, that can be used to minimize disturbances from environmental conditions. These conditions include power supply variation, noise, and component tolerances. Wheatstone bridges are used in many instrumentation systems including force (strain gauge applications), pressure, temperature, and LCR meters to name a few.In this article a mathematical analysis is performed showing the performance improvements of a Wheatstone bridge architecture for resistive elements in comparison to a voltage divider. A Wheatstone bridge is used to convert a changing resistance into a differential voltage. This differential voltage can then be... [Read More]
  • Analysis and Simulation of an Op-Amp Schmitt Trigger

    Post thumbnail
    Post thumbnail
    Schmitt triggers are a circuit building block frequently used to add a level of noise immunity to a circuit. They are used in many applications from hardware button de-bouncing, signal conditioning, to oscillator circuits to name a few. Schmitt triggers work by adding hysteresis to an input signal such that it takes an additional threshold to change states. Hysteresis is added by providing feedback from the output back to the input. Once a state change is triggered the signal causing the state change must drop below the threshold point to trigger a reverse state change.In this article a mathematical analysis... [Read More]